Rss
|
Tags
设为首页
|
收藏本站
网站首页
产品中心
变量叶片泵
HPC柱塞泵
V柱塞泵
电动止回阀
流量控制阀
HGP齿轮泵
液压电磁阀
压力继电器
液压同步马达
液压系统
台湾圣鑫调速阀
VH高压齿轮泵
关于鸿茨
新闻中心
联系我们
全国服务热线
13735411666
HGP齿轮泵
变量叶片泵
HPC柱塞泵
V柱塞泵
电动止回阀
流量控制阀
HGP齿轮泵
液压电磁阀
压力继电器
液压同步马达
液压系统
台湾圣鑫调速阀
VH高压齿轮泵
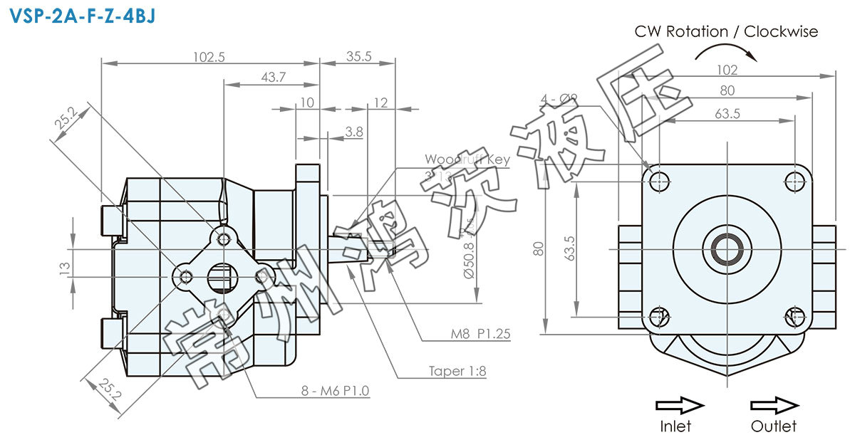
VSP-2AY
上一篇:
VSP-3A
下一篇:
VSP-1A
电话: 0519-88169225
手机:13735411666
电子邮箱:59857814@qq.com
关闭
客户服务热线
13735411666
联系我们
在线客服